城市軌道交通牽引變電檢修工技能培訓設備
從初級到中級,從中級到高級,學員走出培訓學校隨即可以上崗,本套實訓設備,結合軌道交通行業內主流的電氣品牌,如:施耐德、西門子、賽雪龍、時代電氣等廠家的真實設備,與完善教學理論相結合,是軌道交通牽引變電專業教學研的最佳裝備。
整個系統可以帶安全電壓聯動運行,從數據采集、邏輯控制,設備關聯反饋全部以真實場景呈現,數據與信號全部可以在PSCADA上呈現,是軌道交通牽引變電系統最直接、最真實的體驗;

通過學習、實操本套變電檢修工實訓設備,可達成以下學習目標:
1, 熟練掌握地鐵供電系統的組成
2, 學習地鐵供電系統的各類電壓特性和電壓等級設備及各個系統的運行方式
3, 了解地鐵35KV中壓環網系統的組成及設計要求
4, 了解兩個關鍵降壓設備的類別和作用
5, 了解整流設備的組成和設計要求
6, 了解直流進、饋線設備的組成和設計要求
7, 了解各級電壓設備的運行方式和關聯關系
8, 了解交直流二次供電設備的運行方式和設計要求
9, 了解PSCADA系統的信息采集和控制功能
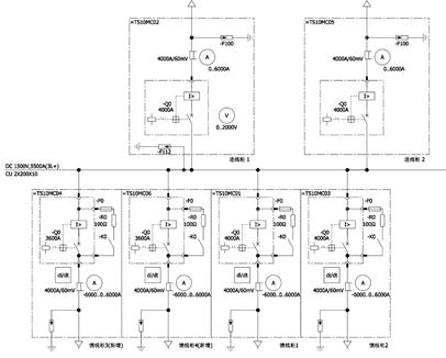
實訓設備示意圖

GIS氣體絕緣組合電器 進、饋線直流開關柜 負極柜

整流柜 鋼軌電位限制裝置 牽引變壓器
上網隔離刀(上網隔離柜)

交直流屏&PSCADA 低壓屏